






1 / 7
Dine leveringsalternativer




- Produktdetaljer
- Produktomtaler
- Dokumenter, brosjyrer og manualer
- Spesifikasjoner
Produktdetaljer
Aduro 22.3 Lux er en slank peisovn med et beskjedent dybdemål som gjør at ovnen passer perfekt inn på steder der plassen er trang.
Pidestallen løfter brennkammeret opp og tilfører en letthet til peisovnen. Den blanke glassdøren gir ovnen et eksklusivt look, og sammen med sideglassene gir den 180 graders innblikk til flammene.
I tillegg til å fungere som et stilfullt møbel i stuen, har Aduro 22.3 Lux også en fantastisk forbrenning. Med den integrerte Aduro-tronic-automatikken får du en ren, effektiv og miljøvennlig forbrenning uten besvær.
Peisovnen har dessuten ekstern lufttilførsel, som tilfører luften utenfra gjennom et luftinntak på ovnen. Den eksterne lufttilførselen sikrer luft til forbrenningen, som særlig er en fordel hvis man bor i et svært tett hus. Luftinntaket installeres gjennom yttermuren på huset og monteres på peisovnen. Selve luftinntaket skjules ved å installere det bak eller under ovnen.
Konveksjon for bedre varmefordeling
Tradisjonelle støpejernsovner har enkle vegger, og er avhengig av stråling for å fordele varmen. Dette gir ekstrem varme rundt ildstedet.
En konveksjonsovn har derimot to vegger. Nederst i ildstedet trekkes det inn kjølig luft mellom disse to veggene. Luften varmes her opp og stiger, før den så blåses ut via toppristen og fordeles rundt i rommet. På denne måten gir en konveksjonsovn bedre, og mer behagelig fordeling av varme.
Produktfordeler
- Konveksjonsovn
- Ruteskyll
- Primær-, sekundær og tertiær lufttilførsel
- Askeskuff
- Utstyrt med Aduro-tronic
- Mulighet for utvidet garanti
Effekt
- Nominell effekt: 5,5 kW
- Driftsområde:3-9 kW
- Oppvarmningsareal: 30-140 m²
- Virkningsgrad: > 78%
- Energiklasse: A
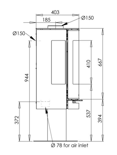
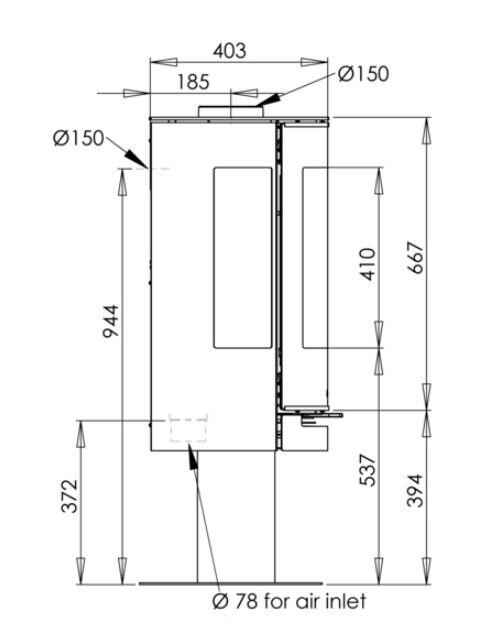
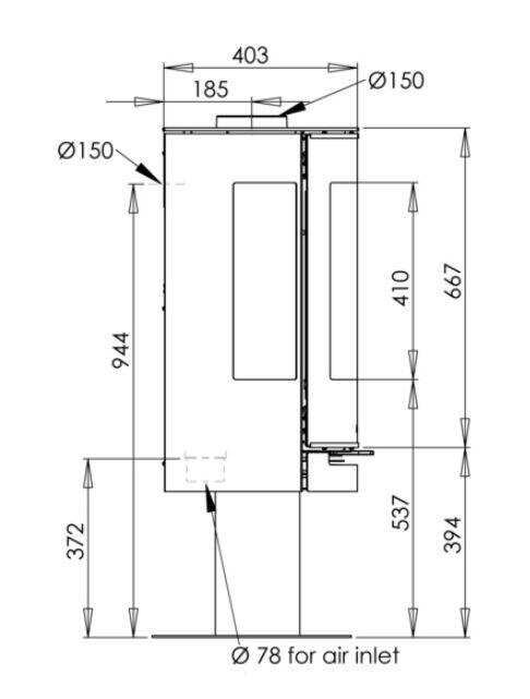
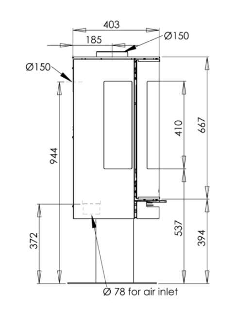
Mål og vekt
- Røykrør diameter topp/bak:Ø150 mm
- Mål (HxBxD):106,1 x 44 x 40,3 cm
- Avstand fra gulv til senter bakutgang: 94,4 cm
- Avstand fra senter røykstuss til bakkant av ovn: 18,5 cm
- Høyde røykstuss over gulv: 104,1 cm
- Brennkammerbredde: 36 cm
- Vedlengde maks: 35 cm
- Vekt: 85 kg
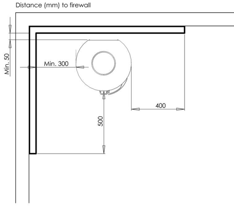
Avstand til brennbart materiale
- Bak: 7,5 cm
- Til siden: 70 cm
- Møbleringsavstand: 100 cm
- Avstand til brannmur : 5 cm bak og 30 cm til siden
- 5,5 kW nominell effekt
- Oppvarmningsareal: 30-140 m²
- Vedlengde maks: 35 cm
- Aduro-tronic automatikk for effektiv fyring
Produktdatablad
| Generelt | |
|---|---|
| Artikkelnummer | 5704065010749 |
| Leverandørens artikkelnummer | 50224 |
| Farge | SVART |
| Forpakningsmål | |
|---|---|
| Bruttovekt | 92 kg |
| Høyde | 120 cm |
| Lengde | 50 cm |
| Bredde | 50 cm |








